大小在线(中国)唯一官方网站

推荐产品

升降式止回阀 H41H-16C

2018-01-29 00:18:00 来源:本站 浏览:5117


【产品用途】

升降式止回阀适用于中、小口径管路的各种压力、温度和介质下控制接通或截断管路介质的启闭装置;依靠阀瓣自重和流体压差实现自动阻止流体倒流。



【产品性能规范】

阀体材料

公称压力

工作温度

适用介质

(MPa)

()

碳 钢

1.6-6.4

425

水、油品、蒸汽

10.016.0

450

不锈钢

P

1.6-16.0

200

硝酸类

R

醋酸类

铬镍钛

PI

1.6-6.4

550

石油、石油产品

耐热钢

铬钼钢

1.6-16.0

550

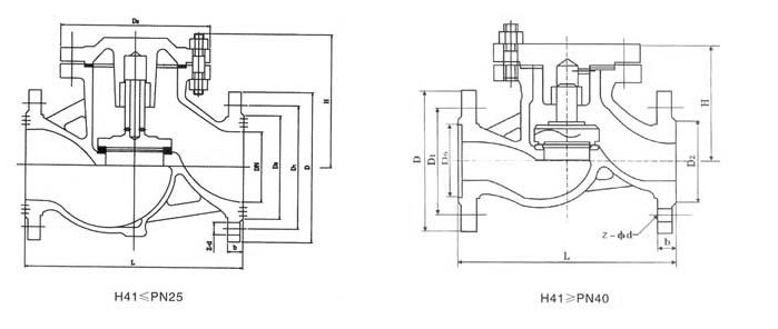
【主要外形尺寸】

公称压力

PN

公称通径
DN

主要连接尺寸

外形尺寸

L

D

D 1

D 2

D 6

b

f

f 1

Z-φd

H

1.6MPa

40

200

145

110

85

-

16

2

-

4-18

95

50

230

160

125

100

-

16

2

-

4-18

105

65

290

180

140

120

-

18

2

-

4-18

120

80

310

195

165

135

-

20

3

-

8-18

130

100

350

215

180

155

-

20

3

-

8-18

140

125

400

245

210

185

-

22

3

-

8-12

155

150

480

280

240

210

-

24

3

-

8-13

180

200

600

335

295

265

-

26

3

-

12-23

215


下一篇:微阻缓闭止回阀 HH44X-10Q